ARCOM-WT16
Доступен для скачивания
краткий каталог продукции:
Недельное программируемое реле времени ARCOM-WT16 предназначено для отсчета интервалов времени, автоматического включения/выключения электротехнического оборудования через заданный промежуток времени в течение недели и управления различными устройствамиОсобенности:
- ЖК-дисплей
- Высота символов: 6 мм
- Установка времени с точностью до минуты
- Возможность ручного переключения контактов реле кнопкой на лицевой панели
- Защитная прозрачная пластиковая крышка
- Ламели для подключения в комплекте
| Параметр
| Значение | |
| Режим работы
| Ручной, автоматический
| |
| Емкость памяти | 16 программ | |
| Выходной контакт | 1 переключающий
~30 А, 250 В | |
| Питание | ~220 В, ≅24 В, ≅12 В
| |
| Потребляемая мощность | ≤ 2 Вт | |
| Точность хода часов | ±1 с/день (при +25°С) | |
| Элемент питания | =3 В CR2032 | |
| Механическая износостойкость
| ≥ 107 циклов | |
| Электрическая износостойкость
| ≥ 107 циклов | |
| Условия эксплуатации
| −10...+40°С, ≤ 85%RH
| |
| Монтаж
| Настенный
| |
| Высота символов | 6 мм | |
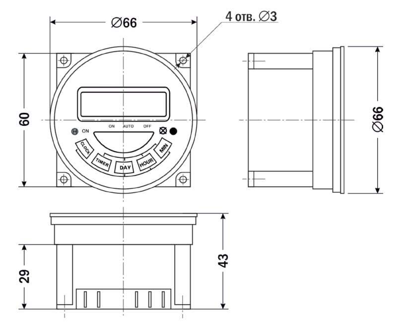
| Габаритные размеры
| 66×66×43 мм
| |
| Вес | 96 г | |
| Габаритные размеры
|
![]() |
Версия: 2022-12-01-ЛВС
| Документ | Дата обновления |
| Паспорт на ARCOM-WT16 | 02.12.2022 |
